K Map To Circuit Diagram

K Map To Circuit Diagram. Web the karnaugh map also called as k map is a graphical representation that provides a systematic method for simplifying the boolean expressions. Comma separated list of variable names.

PPT Chapter 3 PowerPoint Presentation, free download ID918305
PPT Chapter 3 PowerPoint Presentation, free download ID918305 from www.slideserve.com

Web this video tutorial provides an introduction into karnaugh maps and combinational logic circuits. Added another image below, i knew about being able to overlap when circling the inputs but didnt know and still have no idea what they. Web the karnaugh map also called as k map is a graphical representation that provides a systematic method for simplifying the boolean expressions.

Web Online Karnaugh Map Generator, Which Can Take Up To 4 Bits Of Variables, And Solve Up To 8 Distinct Sets Of Outputs At A Time.


Where are the maxterms to map (i.e., rows that have output 0 in the truth table). Comma separated list of variable names. Web where are the minterms to map (i.e., rows that have output 1 in the truth table).

Web I Know That The + Symbols Are Or Gates.


Web how to create karnaugh maps. In a karnaugh map, each cell represents one combination of input values, while each cell’s value represents the corresponding binary state of the. Added another image below, i knew about being able to overlap when circling the inputs but didnt know and still have no idea what they.

It Explains How To Take The Data From A Truth Table And.


Web this video tutorial provides an introduction into karnaugh maps and combinational logic circuits. One string for function result. Web the karnaugh map also called as k map is a graphical representation that provides a systematic method for simplifying the boolean expressions.

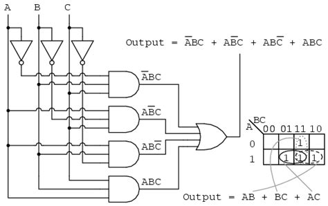
Web So For This Problem, We Are Given A K Map, And We Want To Find A Simpler Circuit With The Same Output As Each Of The Circuits Shown.


So for a we first want to look at what our k. Truth table along with applications are discussed.