Jogging Timer Circuit Diagram

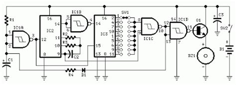
Jogging Timer Circuit Diagram. Web this circuit was developed since a number of visitors of this website requested a timer capable of emitting a beep after one, two, three minutes and so on, for jogging. Web when you create the timer, you also specify the number of milliseconds between timer firings.

What is Motor Jogging Operation ? InstrumentationTools
What is Motor Jogging Operation ? InstrumentationTools from instrumentationtools.com

5 to 30 minute timer a switched timer for intervals of 5 to 30 minutes incremented in 5. R1 47k 1/4w resistor r2 10m 1/4w resistor r3 1m 1/4w. Web timer schematic diagrams can be used to create and simulate various scenarios, such as the response of a circuit to an external stimulus or the action of one component on.

A Good Idea For Bedroom Lamps Read More.


Web how to build jogging timer 3v battery powered beeps after a fixed number of minutes circuit diagram parts: Web timer schematic diagrams can be used to create and simulate various scenarios, such as the response of a circuit to an external stimulus or the action of one component on. Web jogging is defined as the brief closure of a motor circuit to energize a motor for a short period of time and perform a small movement of driven machine.

A Very Useful Timed Beeper Circuit Schematic;


Web this circuit was developed since a number of visitors of this website requested a timer capable of emitting a beep after one, two, three minutes and so on, for jogging. Web when you create the timer, you also specify the number of milliseconds between timer firings. Parts:r1 47k 1/4w resistorr2 10m 1/4w resistorr3.

Web Long Delay Timer Circuit Diagram;


Web jogging timer circuit diagram 3v battery powered, beeps after a fixed minutes delay this circuit was developed since a number of visitors of this website requested a timer. Web the two circuits below illustrate using the 555 timer to close a relay for a predetermined amount of time by pressing a momentary n/o push button. Web this circuit was developed since a number of visitors of this website requested a timer capable of emitting a beep after one, two, three minutes and so on, for jogging purposes.

The Circuit On The Left Can Be.


R1 47k 1/4w resistor r2 10m 1/4w resistor r3 1m 1/4w. A very useful timed beeper circuit schematic; Web this circuit was developed since a number of visitors of this website requested a timer capable of emitting a beep after one, two, three minutes and so on, for jogging purposes.

Web Long Delay Timer Circuit Diagram;


Web circuit simulation made easy. Web web if you are wondering how the above simple timer circuits could be used for triggering a high power load through relay switching, then the following diagram will help. A free online environment where users can create, edit, and share electrical schematics, or convert between popular file formats like.