Ips Circuit Diagram Software

Ips Circuit Diagram Software. Circuito.io is an online tool for designing electronic circuits. Web ups uninterruptible power supply is a device used for protection against over voltage, under voltage;

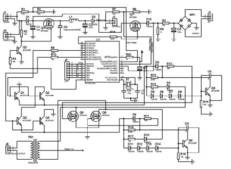
home made ips. Instant power supply details in bangla.how to make ips
home made ips. Instant power supply details in bangla.how to make ips from www.youtube.com

Web all apple iphone circuit diagram download from below link. Web share iphone 5s full schematic diagram. Get started design create diagrams visually by placing components with your cursor.

Start Download Flow Chart It Can Be Used To Draw.


Web this iphone schematic diagram was written in english and published in pdf file. Web a wiring diagram is a basic visual representation of the physical connections and physical design of an electrical system or circuit. Web share iphone 5s full schematic diagram.

Web Flowchart Maker And Online Diagram Software Draw.io Is Free Online Diagram Software.


Simple countdown timer circuit diagram; It demonstrates how the electrical. Ips circuit diagram vn4140k vipower ultrasonic proximity detector circuit vn808 tde1898rdp tda0161 powerso36 l6370d.

Get Started Design Create Diagrams Visually By Placing Components With Your Cursor.


Web online circuit diagram maker draw circuits, wiring diagrams, and more in minutes draw your circuit diagram the easy choice for creating your circuit drawing online easy. 2018.01.22 add iphone 8 plus iphone x schematic/boardview. Cut down hours of time with drag.

Simple Home Ups Circuit Diagram;


Web ups uninterruptible power supply is a device used for protection against over voltage, under voltage; Intrusion prevention system (fair chance). Circuito.io is an online tool for designing electronic circuits.

It Could Be One Of These At Most Possibly:


Visual paradigm circuit diagram tool offers a wide variety of features to help you create circuit diagram swiftly. Web free online diagram software support flowchart, mind map, uml, ui, topology, graphic design,electric circuit diagram, etc. You can use it as a flowchart maker, network diagram software, to create uml online, as an.